CNC Auftragsarbeiten
Fräsen

Kontakt

CNC Multitool MC

CNC Background Skills









CNC Fräsarbeiten

Dateiformat | G-Code | STL

Für Fräsarbeiten benötigen wir einen G-Code, den wir mit Hilfe deiner Technischen Zeichnung schreiben oder aus einem 3D Modell erzeugen. Falls du bereits ein 3D-Modell besitzt kannst du uns die Datei als STL zusenden.

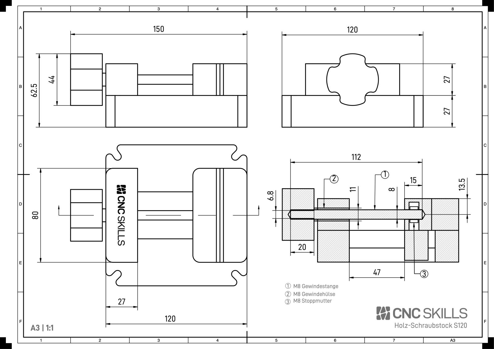
Technische Zeichnung

Dateiformat | JPG | PDF

Sende uns deine Technische Zeichnung oder von Hand gezeichnete Skizze mit allen relevanten Massen. Nutze dafür unsere Skizzenvorlage mit deinem Tablet oder auf Papier.

Mehr Details ➲➲➲

Falls du keine Möglichkeiten hast solch ein Dokument zu erstellen, nimm einfach Kontakt mit uns auf, wir helfen dir gerne weiter.

Details

Materialien für Fräsarbeiten

Alle Arten von Holz. (Keine Metalle oder Kunststoffe)

Arbeitsbereich

Max Arbeitsfläche: 1500mm x 1300mm
Max Materialgrösse: 1850mm x 1850mm / Max Materialhöhe: 180mm

Mehr Details ➲➲➲

FreeCAD

Open Source Software

Mit FreeCAD erstellst du deine eigene 3D Modelle, Technische Zeichnungen und vieles mehr.


freecad.org
 

MAGIC WEBTOOL